logo

РАЗДЕЛ 1: Термины и определения клапанов

A

  • Износ, вызванный жесткими частицами и выступами, которые вдавливаются в твердую поверхность и двигаются вдоль нее.
  • Метод испытания, разработанный для того, чтобы вызывать ускоренное появление отказов в работе изделий по сравнению с работой этих же изделий при нормальных условиях эксплуатации. Ускоренные ресурсные испытания включают в себя ускорение отказов с целью количественного определения характеристик для срока службы изделия при нормальных условиях эксплуатации.
  • Химический реагент, ускоряющий вулканизацию эластомера таким образом, что вулканизация происходит за более короткий промежуток времени или при более низкой температуре. Используемый в тех условиях, в которых активатор прекращает работать, ускоритель часто используется совместно с катализатором, отвердителем или отверждающим агентом.
  • Винтовой профиль резьбы, который используется в поступательных процедурах, например, при процедурах, включающих передачу больших нагрузок. Профиль был разработан в качестве компромисса, предлагающего прочность, лучшую чем прочность 60-ти градусной V-образной резьбы, и в то же время преодолевающего трудности производства прямоугольной резьбы. В трапецеидальной резьбе используется угол профиля резьбы, равный 29° с плоской верхней частью и канавкой.
  • Удлинитель, добавляемый к короткому сквозному (то есть, установленному “встык”) клапану для соответствия обеим стандартам или размерам от одного конца к другому. Также называется трубной секцией.
  • Вещество, которое в небольших количествах добавляется к эластомерному компаунду с целью улучшения, упрочнения или изменения его свойств. Например, армирующий наполнитель, повышающий прочность, или пластификатор, улучшающий гибкость и обрабатываемость.
  • Смотрите Взрывную декомпрессию.
  • Торговое объединение, представляющее местные энергетические компании, поставляющие природный газ в США. www.aga.org
  • Изменение характеристик резины с течением времени, вызванное факторами окружающей среды, например, теплом и светом. Ускоренное старение пластичных материалов рассматривается стандартом ISO 188 и ASTM D573.
  • Объединение производителей стали, устанавливающее стандарты для химических и физических свойств стали и железа различных типов: трубы, трубопроводы, листовая сталь, полосовая сталь и проволока. www.steel.org
  • Преобладающая температура окружающей среды, в которой непосредственно находится система.
  • Органическое соединение, содержащее азот в качестве основного элемента. Амины представляют собой щелочные соединения с сильным запахом. Амины используются в качестве отверждающего агента для фторэластомеров, а также в качестве плёнкообразующего ингибитора, применяемого для предотвращения коррозии в трубах нефтепромыслового сортамента.
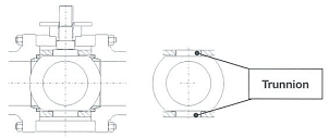
  • Палец, который монтируется в клапаны на четверть оборота. Такой палец центрирует промежуточную плиту и сдерживает движение плиты и ручного редукторного привода управления запорной арматурой во время работы клапана. Также называется установочным пальцем.
  • Разновидность шарового клапана, в котором концевые соединения находятся под прямыми углами относительно друг друга, в противоположность линейному расположению.
  • Основная организация по созданию стандартов в США, которая контролирует создание, распространение и использование норм и директив, непосредственно влияющих на бизнес практически в каждом секторе. www.ansi.org
  • Числовой класс проектирования давления, определенный в ASME B16.5, и используемый в качестве справочной информации. Класс оценки ANSI обозначается словом “Класс”, за которым следует номер.
  • Относительно жесткое, высокомодульное кольцо (или подобная деталь), устанавливаемое в сальник между сальником и стенкой канавки для предотвращения выталкивания сальника в промежуток. Также называется упорным кольцом.
  • Главное торговое объединение в нефтяной и газовой промышленности США. Помимо других программ, выполняет некоторые функции по развитию написания стандартов и рекомендаций в сфере в нефтедобывающей и нефтехимической промышленности. www.api.org
  • Спецификация API (Американский институт нефти) и ISO (Международная организация по стандартизации), описывающая трубопроводные клапаны. Согласно этой спецификации, изготавливается наибольшая часть трубопроводных клапанов, что можно определить по монограмме API 6D. С течением лет, многие стандарты включили в постановления органов штата и федеральных органов; в последнее время, происходило взаимное принятие ряда стандартов совместно с Международной организацией по стандартизации (ISO).
  • Испытания на огнестойкость согласно спецификации испытаний Американского института нефти (API).
  • Некоммерческая профессиональная организация, основная деятельность которой сосредоточена на технических, образовательных и исследовательских вопросах инженерного и технологического сообщества. Организация публикует большое количество книг, статей, норм, правил и стандартов. Особый интерес представляют Нормы и Правила ASME к котлам и корпусам высокого давления, к которым часто обращаются по многим вопросам проектирования и изготовления клапанов, однако, не за информацией по самим клапанам. www.asme.org
  • Организация по разработке рекомендуемых стандартов, изначально известная как ASTM (Американское общество испытаний и материалов). Представляет собой некоммерческую организацию, которая предоставляет форум для разработки и публикаций согласованных стандартов по материалам, продуктам, системам и сервисам. Клапаны большинства производителей изготовляются из материалов, соответствующих стандартам ASTM. www.astm.org
  • Сила на единицу площади, которая прикладывается к поверхности весом воздуха над этой поверхностью. На уровне моря, вес воздуха соответствует 14.7 фунтам на квадратный дюйм абсолютного давления, то есть 1.013 бар абсолютного давления.
  • Некоммерческая организация, устанавливающая директивы и стандарты для сварки и связанных технологий по сопряжению материалов. www.aws.org
  • Уплотнение, которое приваривается к панели, перпендикулярно его оси, в отличие от приваривания к внешнему или внутреннему диаметру. Также называется торцевым уплотнением.

B

  • Упор на штоке задвижки, который герметизирует сопряженные поверхности внутри крышки, чтобы осуществить замену уплотнений или сальника штока, под давлением.
  • Сферический закрывающий элемент (обтюратор) шарового клапана.
  • Клапан с компонентом в виде шара внутри корпуса. Шаровой клапан поворачивается на 90° (четверть поворота), чтобы открыть или закрыть клапан. Шаровой клапан используется для перекрытия или управления потока нефти или газа.
  • Метрическая единица давления. Не является единицей СИ, но принята для использования с системой СИ. Один бар равен 14.504 фунт-силы на квадратный дюйм и 0.1 МПа.
  • Сокращение для слова “баррель”. Имя для нескольких единиц объема. Один баррель нефти составляет 42 американских галлона, то есть 158.99 литра, или 34.97 английских галлона.
  • Небольшой шаровой клапан, который устанавливается на надземном конце удлинённой дренажной линии. Данный клапан также выполняет функцию стравливания давления из плоскости корпуса в «запорно-предохранительном» режиме. Смотрите также запорно-предохранительный режим и отводный продувочный клапан.
  • Коническая тарельчатая пружина, названная в честь ее изобретателя Юлиана Бельвиля, который запатентовал изделие в 1867 году. Используется в некоторых клапанах для того, чтобы прижать седла к закрывающему элементу. Также называется тарельчатой шайбой.
  • Механическая нагрузка, создаваемая силой, прикладываемой к поверхности или оси части под прямыми углами. Ее величина равна произведению силы на длину перпендикуляра к точке закрепления. Обычно выражается в Н·м (единица СИ) или фунт·фут.
  • Кромка детали, которая не перпендикулярна двум смежным поверхностям. Фаска используется для обозначения подготовки приварного конца. Смотрите скошенный конец.
  • Приведение клапана в действие путем передачи, в которой оси двух валов пересекаются, а рабочие зубчатые поверхности передаточного механизма имеют коническую форму. Передаточное число этого механизма определяет достигаемое отношение крутящих моментов. Главным образом, этот механизм используется в задвижках.
  • Клапан, предназначенный для блокирования жидкости, который может устанавливаться на любом фланцевом конце по направлению потока или против него.
  • Присоединяется к полости корпуса клапана с целью выпуска или стравливания жидкости или газа.
  • Фланец без центрального канала, применяемый для полного закрытия фланцевого конца или выходного соединения.
  • Выпуклая область на поверхности формового изделия, вызванная воздействием давления внутренних газов. Смотрите Взрывную декомпрессию.
  • Способность герметизировать впускное седло клапана, когда давление корпуса стравливается в атмосферу посредством продувочного клапана или вентиляционного отверстия. Смотрите клапан двухстороннего действия и стравливающий клапан.
  • Основная часть клапана, сдерживающая давление, в которой находится уплотнительный элемент и седла.
  • Крепёжная деталь, состоящая из винта и гайки.
  • Окружность, на которой находятся отверстия под болты.
  • Верхняя часть клапана, соединенная с корпусом клапана, направляющая шток, и приспосабливаемая к выступающим частям или средствам управления.
  • Описывает конструкцию клапана, в которой элементы кожуха высокого давления соединены вместе болтами, что позволяет разобрать их с целью ремонта в условиях эксплуатации.
  • Болты или штифты и гайки иногда поставляются с фланцевыми клапанами, что позволяет установить клапан между магистральными фланцами.
  • Внутренний диаметр наименьшего отверстия в клапане. Диаметр отверстия в шаре или шаровом клапане; диаметр отверстия заслонки в задвижке; внутренний диаметр колец седла.
  • Требуемое усилие или момент, для приведения клапана в действие из полностью закрытого состояния при воздействии разницы давлений.
  • Твёрдость по Бринеллю определяется вдавливанием шарика из твердой стали или карбида заданного диаметра при указанной нагрузке в поверхность материала, после чего измеряются размеры выемки, оставшейся после вдавливания. Число твёрдости по Бринеллю или просто твёрдость по Бринеллю получается путем деления нагрузки (в килограммах) на фактическую площадь выемки (в квадратных миллиметрах). Результат представляет собой измерение давления, но единицы указываются редко. Испытание ASTM E10 представляет собой стандартное испытание для определения твёрдости по Бринеллю для металлических материалов. Результат можно конвертировать в твёрдость по Роквеллу (B или C) с помощью таблиц преобразования в стандарте ASTM E140. Смотрите испытание на твёрдость по Роквеллу.
  • Тенденция к растрескиванию или разламыванию при воздействии силы или деформации.
  • Самая низкая температура, при которой резиновые материалы не проявляют хрупкого разрушения под влиянием заданных условий.
  • Предохранительный клапан, установленный на двухседельных клапанах, применяемый в жидких средах с целью разгрузки чрезмерного давления корпуса, вызванного тепловым расширением.
  • Ссылка на Британский Стандарт.
  • Описывает герметизирующую способность клапана. Во время испытания клапана давлением газа в закрытом положении, утечка, прошедшая седло, собирается и пропускается сквозь воду в виде пузырьков. Чтобы квалифицировать клапан как герметичный, в течение указанного промежутка времени не должно наблюдаться пузырьков.
  • Отношение гидростатического давления к объёмной деформации. Фактически, определяет, насколько материал сжимается при определенном значении внешнего давления. Данная величина выражается в единицах давления: ГПа, тысячи фунтов на кв. дюйм и так далее. Характерное значение модуля объемного сжатия для стали равно 160 ГПа, для воды 2.2 ГПа.
  • Применение, при котором клапан устанавливается в трубопроводах, которые закапываются под землю.
  • Давление, при котором наступает разрыв нагруженного элемента, или сосуда, находящегося под давлением. Смотрите нагрузка на растяжение.
  • Короткая проходная арматура, в которой имеется подвижная уплотняющая деталь (обтюратор) в центре потока, поворачивающая на 90° при открытии и закрытии клапана.
  • Концевое соединение клапана, соответствующим образом подготовленное для стыковой сварки к соединяемой трубе. Определяется стандартом ASME B16.25. Смотрите концы под сварку и скошенный конец.
  • Система трубопроводов и клапанов, позволяющая выполнить отклонение потока или давления вокруг главного клапана.

C

  • Полый цилиндрический элемент, который служит для задания направления при центровке движения стержня (пробки) клапана относительно кольца седла, а также удерживает кольцо седла в корпусе клапана. Часто, в стенках кожуха есть отверстие, которое определяет характеристики потока регулирующего клапана.
  • Пропускная способность клапан при указанных условиях.
  • Крепежный элемент с головкой, корпус которого имеет резьбу по всей длине. Не используется вместе с гайкой, а вставляется в отверстие с внутренней резьбой в соединяемой детали.
  • Часть, изготовленная литьем расплавленного металла в форму без использования последующей ковки или прокатки.
  • Образование полостей или пузырьков в жидкости, содержащих газ или пар (или газ вместе с паром) и их последующее разрушение. Кавитация возникает из-за местного снижения гидростатического давления в жидкости, создаваемого движением жидкости или твердого пограничного слоя. Термин “кавитация” не должен использоваться для обозначения повреждения или эрозии твердой поверхности, к которым может привести кавитация. Этот результат воздействия кавитации называется кавитационным повреждением или кавитационной эрозией.
  • Автоматический дроссельный клапан, регулирующий пропускную способность или давление в трубопроводе. В состав клапана входят шаровой клапан, привод, устройство позиционирования и приборы управления.
  • Маркировка соответствия европейским стандартам является обязательной Европейской маркировкой для определенных групп изделий, которая наносится в Европейской экономической зоне с целью индикации соответствия основным требованиям к ОТ и ТБ, установленным директивами ЕС. Чтобы разрешить использование маркировки СЕ на изделии, необходимо документально подтвердить соответствие изделия необходимым требованиям.
  • Независимый орган, назначаемый покупателем для выполнения обследования оборудования и/или материалов, которые он покупает. Обеспечение сертифицирующего органа информацией, документами, доступом к работам и персоналу с целью разрешения выполнения обследования возлагается на поставщика.
  • Вычислительная гидродинамика – отрасль гидромеханики, использующая методы численного расчёта и алгоритмы для анализа и решения проблем, связанных с течением жидкости. В качестве базы практически всех задач вычислительной гидродинамики используются уравнения Навье - Стокса. Наиболее часто используется метод конечных элементов. Домен делится на несколько небольших объемов, в которых дискретизируются и решаются уравнения сохранения.
  • Верхний клапан, приводимый в действие зубчатым колесом, которое используется вместо вентиля.
  • Шар или задвижка с формой клапанного канала, измененной с целью обеспечения определенной регулирующей способности. Один из наиболее типичных видов – шаровой клапан с V образным каналом.
  • Механическое динамическое испытание, которое выполняется с целью измерения энергии, требуемой для разрыва материала при ударной нагрузке. Испытание состоит, главным образом, в нанесении удара молотом с определенной энергией по образцу с заданными размерами, имеющему надрез. Измеряемыми значениями испытания могут быть: поглощенная энергия, процентное разрушение в результате среза, поперечное расширение напротив надреза или комбинация этих величин. Испытание предоставляет относительную меру ударной вязкости стали или ее сопротивления удару, или ударной нагрузке. Испытание часто требуется для случаев применения материалов при низких температурах, когда испытание выполняется при прогнозируемой минимальной рабочей температуре. Процедура испытания описана в ASTM A370.
  • Однонаправленный клапан, который открывается течением жидкости в одном направлении и автоматически закрывается, когда поток останавливается или меняет направление.
  • Шарнирный закрывающий элемент поворотного обратного клапана.
  • Тип набивки, применяемый в сальниковых коробках, состоящий из комплекта колец с V-образным поперечным сечением. Также называется манжетным уплотнением.
  • Штуцерная заслонка – клапан, поднимающий и опускающий литой цилиндр (“пробку” или “шток”), который установлен вокруг или внутри другого цилиндра с отверстиями или прорезями. Конструкция этого клапана предполагает, что жидкость, текущая через кожух, поступает со всех сторон, и потоки течения (через отверстия или прорези) сталкиваются друг с другом в центре кожуха, таким образом, рассеивая энергию жидкости посредством “столкновения потока”. Главным преимуществом таких клапанов является их конструкция, позволяющая достичь полной линейности скорости потока.
  • Представляет собой ограничивающий или максимальный режим потока, который можгут достичь либо несжимаемые, либо сжимаемые жидкости при прохождении через регулирующий клапан. Это подтверждается отказом падения повышающегося давления, создающего дальнейшее повышение потока. В случае газа или пара, это происходит, когда скорость потока достигает скорости звука в сжатом сечении. В случае жидкости, запертый поток указывает на полностью развитую кавитацию. Падение давления, выше которого поток становится запертым, называется конечным $\Delta p$.
  • Метод нанесения металлического покрытия на другую металлическую поверхность, при котором покрытие становится органической частью основного материала. Обычно выполняется сваркой. Также называется наплавленным слоем сварного шва.
  • Конструируется альтернатива ANSI-фланцу, предназначенная для работы с высоким давлением, имеющая малый вес и защищённая от протечек. В зажимном соединителе не применяется сложное болтовое соединение для поддерживания герметичности, а используется прочность сварного шва. Эта конструкция предпочтительна в тех случаях, когда место, вес и целостность шва являются критическими. Обычно, это оборудование оригинальной разработки, например, Destec, Grayloc (Oceaneering International) и Techlok (Vector International).
  • На конце штока располагается соединительный U-образный хомут, между концами которого, может закрепляться штифтами или болтами задвижка или другая часть. Позволяет вращать соединенные части вокруг оси шпильки.
  • Концы шарового клапана, прикручиваются болтами к корпусу, в котором обычно находятся кольца седла. Часто называются частью клапана.
  • Подвижная часть клапана, расположенная в потоке, и управляющая потоком, проходящим через клапан. Шар, заслонка, пробка, язычковый диск и тому подобное – это конкретные названия герметизирующих элементов. Также называется обтюратором.
  • Усиление деформации материала при постоянной нагрузке при температурах в пределах рабочего диапазона. Также называется деформация металла в результате долговременной нагрузки.
  • Компактный фланец был разработан компанией Steel Products Offshore A/S с использованием всестороннего тестирования и анализа методом конечных элементов. Эта альтернативная разработка меньше и легче стандартных фланцев ANSI. Компактный фланец перенят стандартом Norsok L-005 “Компактные фланцевые соединения”.
  • Термодинамическое свойство, которое используется для изменения уравнения состояния идеального газа с целью учета реального поведения газа. Обычно, отклонение от поведения идеального газа становится наиболее существенным тогда, когда газ близок к фазовому переходу, при очень низкой температуре или очень высоком давлении.
  • Отношение напряжения сжатия к результирующей деформации при сжатии ниже предела пропорциональности (выражается в процентах исходной толщины образца). Определяется в стандартах ISO 604 и ASTM D695.
  • Метод формовки термореактивного материала, в котором невулканизованная резиновая смесь помещается в нагретую формообразующую полость, после чего форма закрывается при высоком давлении (часто в гидравлическом прессе). Материал при этом растекается и полностью заполняет полость. Давление поддерживается до полного затвердевания.
  • Постоянная деформация, которая остается после снятия сжимающего напряжения с эластомерного образца. Остаточная деформация сжатия выражается в процентах от исходной деформации. Используется в стандартах ISO 815 и ASTM D395.
  • Имеющий те же центры.
  • Частица или материал, являющийся чужеродным для жидкой среды.
  • Клапан, управляющий технологическим параметром, например, давлением, потоком или температурой посредством модулирования открытия клапана согласно сигналу контроллера. Смотрите блок управления.
  • Устройство, измеряющее регулируемую величину, сравнивает ее с заранее заданной настройкой и направляет сигнал приводу на повторное регулирование открытия клапана с целью восстановления исходного управляемого параметра.
  • Изменение свойств металла под воздействием химической или электрохимической реакции, протекающей между металлом и его окружающей средой.
  • Сплав цветных металлов, в котором любая сумма удельного количества титана, никеля, кобальта, хрома и молибдена превышает 50% в весе.
  • ValveTermsPage.p95
  • Химический процесс, посредством которого сложные органические молекулы (например, тяжёлые углеводороды) разбиваются на более простые молекулы путем разрушения углерод-углеродной связи.
  • Усиление деформации материала при постоянной нагрузке ниже предела текучести. Также называется текучесть на холоде.
  • Разновидность ускоренной, местной коррозии, которая появляется в местах, не имеющих доступа к близлежащему оборудованию, например, на сопрягаемых поверхностях металлических узлов
  • Смотрите запертый поток.
  • ValveTermsPage.p100
  • ValveTermsPage.p101
  • ValveTermsPage.p102
  • Смотрите максимальное допустимое рабочее давление.
  • Простая завершенная операция или процесс, который возвращается в исходную точку. Клапан, который перешел из полностью открытого положения в полностью закрытое положение, а затем снова в полностью открытое положение, выполнил один цикл.
  • Процедура, при которой изделие подвергается воздействию какого-либо явления в течение определенного временного интервала, до момента завершения этого явления. Под явлением может пониматься установленное количество событий или это может быть непрерывная процедура, выполняемая до появления поломки одной из деталей изделия.
  • Клапанный оператор с силовым поршнем, в котором используется либо гидравлическое, либо пневматическое давление. Уплотнённый поршень преобразует прилагаемое давление в поступательное движение штока поршня (штифта). Смотрите механический привод.

D

  • Процесс удаления лишнего материала (заусенцев) с разделяющей линии формованного резинового продукта.
  • Смотрите дифференциальное давление или перепад давления.
  • Процедура, в ходе которой официальный орган, назначенный покупателем, выполняет оценку проектных параметров оборудования и/или материалов, которые он покупает. Поставщик должен предоставить официальному органу чертежи, расчеты и документы в необходимом объеме совместно с теми из их, которые обычно требуются для проверки и приемки покупателем. Смотрите также сертифицирующий орган.
  • Система трубопроводов, в которой функционирует клапан, характеризуется проектной температурой. Клапан должен проектироваться согласно этой температуре.
  • Круглое, тонкое, гибкое уплотнение, которое фиксируется и герметизируется вокруг его внешнего края, а иногда вокруг центрального отверстия в диафрагме, при этом, незакрепленная часть может свободно двигаться за счет гибкости.
  • Диафрагменный клапан состоит из корпуса с двумя или более отверстиями, диафрагмы, и седла, посредством которого диафрагма закрывает клапан.
  • Разница давления между концами клапанами в трубопроводе, находящегося под давлением. Разница давления между любыми двумя точками в системе под давлением, находящейся в рабочем состоянии
  • Отвод продувочного клапана на больших заслонках требует трубу, установленную внутри клапана. Такую трубу называют погружной трубой, и она проходит через крышку клапана до нижней части полости корпуса.
  • Закрывающий элемент сферического углового клапана или небольшого регуляторного клапана. Диск также называется заглушкой и перемещается к седлу и от него в направлении, перпендикулярном поверхности седла. Зависит от силы, прилагаемой к штоку для обеспечения герметичного закрытия.
  • Представляет собой клапан с двумя посадочными поверхностями, который в закрытом положении обеспечивает герметизацию давления на обеих сторонах клапана с помощью выпуска/стравливания из полости между посадочными поверхностями.
  • Клапан с двумя посадочными поверхностями, каждая из которых в закрытом положении обеспечивает герметизацию давления от одиночного источника посредством выпуска/стравливания из полости между посадочными поверхностями. Эту функцию можно обеспечить либо в одном, либо в двух направлениях.
  • Представляет собой уплотняющую способность шаровых клапанов, посредством которой давление в трубопроводе используется и на верхних, и на нижних плавающих седлах с целью создания полной герметичности одновременно с обеих сторон шара. Когда используется эффект двустороннего действия поршня, то в случае протечки верхнего седла, давление, просочившееся в полость корпуса, действует на нижнее седло. Нижнее седло, разработанное как предпочтительная сторона под давление, прижимается к шару, в результате чего в клапане обеспечивается герметизация в обоих направлениях.
  • Смотрите анкерный палец и ведущие штыри.
  • Фитинг в нижней части клапана, снятие которого позволяет дренировать и промыть полость корпуса. Заглушка вентиляционного отверстия на некоторых шаровых клапанах и задвижках также выполняет функцию дренирования. Смотрите заглушку вентиляционного отверстия.
  • Штыри, которые вставляются в нижнюю часть штока шарового клапана и сцепляются с соответствующими отверстиями в шаре. Когда управляющее устройство вращает шток, ведущие штыри вращают шар. Ведущие штыри передают вращающий момент посредством усилия сдвига. Ведущие штыри можно заменить приводом через лапки и пазы, который является частью самого штока, создаваемой путем фрезерования.
  • Все части привода клапана между управляющим устройством и запирающей деталью, включая запирающую деталь, но исключая управляющее устройство. Также должно включать анкерный палец.
  • Перепад установленного (выходного) давления регулятора или регулирующего клапана в результате хода клапана или тарелки, поскольку поток возрастает от низкого значения до высокого значения. Небольшое изменение длины регулирующей пружины, вызванное рабочим ходом клапана, приведет к вариациям силы сжатия пружины, что повлияет на изменение установленного (выходного) давления.
  • Подшипник скольжения, состоящий из ПТФЭ (тефлона) и прокладки из свинцового порошка, соединённой с металлической основой. Также называется подшипником DU®, торговой марки компании GGB. www.ggbearins.com
  • Сухой пленочный дисульфид молибдена, который применяется в качестве покрытия скользящих или вращающихся частей для снижения сопротивления трения. После нанесения, пленка прокаливается в печи при высокой температуре.
  • Комбинация одного однонаправленного и одного двунаправленного седла, которые устанавливаются в корпус одного клапана. Направления обоих седел должны указываться на отдельной идентификационной табличке. Эта конструкция обеспечивает два герметизирующих барьера в одном направлении и один герметизирующий барьер в другом направлении.
  • Клапан с двумя седлами, герметизирующими в обоих направлениях.
  • Клапан с двумя седлами, одно из которых герметизирует в одном направлении, а другое – в любом направлении.
  • Прибор для измерения твердости (также называется дюрометр Шора) измеряет твердость относительно эластичности материала. Для удара по поверхности используется молоток с алмазным наконечником, который бьет по поверхности с заданной высоты. Отдача молота измеряется. Чем больше жесткость материала, тем больше отдача. Смотрите твёрдость по Шору.
  • Смотрите испытание проникающей жидкостью.

E

  • Натуральный или синтетический эластичный материал, состоящий из длинных, цепеобразных молекул, которые способны восстанавливать начальную форму после сильного растяжения. При нормальных условиях, длинные молекулы, из которых состоит эластомер, образуют хаотичные спиралевидные структуры. При воздействии силы, молекулы меняют структуру, чтобы распределить прикладываемую нагрузку, и возвращаются к начальному состоянию после снятии нагрузки. Данный материал применяется в синтетических резиновых частях, например, уплотнительных кольцах.
  • Фитинг с внутренней резьбой или раструбный фитинг, который применяется для изменения направления на участке трубопровода или трубы.
  • Автокаталитическая реакция, применяемая для нанесения покрытия никель-фосфорного сплава на нижний слой не использую при этом электрический ток, проходящий через раствор и создающий покрытие. Этот метод нанесения гальванического покрытия главным образом используется с целью предотвращения коррозии и износа на металлических материалах. Смотрите документ ASTM B 656 (справочник по стандартам, содержащий информацию о химическом никелировании) и ASTM B 733 (спецификация, описывающая требования к химическому никелированию).
  • Процентное увеличение начальной длины (деформация) образца, вызванное растягивающим усилием (напряжением), воздействующим на образец. Предельное удлинение – это удлинение, при котором образец разрушается.
  • Потеря пластичности материала из-за химических или физических изменений. Смотрите также сульфидное растрескивание под напряжением.
  • Чтобы достичь плотной герметизации во время аварийной ситуации, предусматривается введение герметизирующего материала в специальный желобок в кольцах седла и/или в уплотняющих карманах штока. Может применяться в большинстве шаровых клапанов и задвижек.
  • Подготовка сварного конца к стыковому сварному соединению. Определяется документом ASME B16.25.
  • Тип соединения на торцах клапана, позволяющий устанавливать клапан на трубопровод. Наиболее типичными концевыми соединениями являются “концы под сварку”, фланец с соединительным выступом, кольцевое фланцевое соединение.
  • Это относится к европейским стандартам.
  • Сокращение означает этилен-пропилен каучук. Этилен-пропилен каучук – это популярный герметизирующий материал, совместимый с огнеустойчивыми гидравлическими жидкостями, кетонами, горячей и холодной водой и щелочами. Однако, данный материал не совместим с большинством масел, бензином, керосином, ароматическими и алифатическими углеводородами, галогенированными растворителями и концентрированными кислотами.
  • Собственная характеристика потока, которая при равных увеличениях номинального рабочего хода обеспечивает равные процентные изменения существующего потока.
  • Прогрессирующая потеря исходного материала с его твердой поверхности из-за механического взаимодействия между этой поверхностью и жидкостью, многокомпонентной жидкостью, воздействующей жидкостью или твердыми частицами. Из-за широкой трактовки этого термина, обычно рекомендуется определить соответствующий механизм или контекст, в котором происходит эрозия, например, кавитационная эрозия, гидроударная эрозия, эрозия при ударе твердых частиц, эрозия пляжей и так далее.
  • Правила техники безопасности трубопроводов [Руководство по Правилам техники безопасности трубопроводов 1996 – Руководство по правилам: международный стандартный номер книги 0-7176-1182-5 82] указывает, что задвижка аварийного отключения представляет собой клапан, который должен обеспечить необходимое перекрытие потока жидкости в трубопроводе в точке установке самого клапана. Если определение отсутствует, термин “необходимое перекрытие” означает “достаточное перекрытие” применительно к конкретному использованию. Незначительные внутренние утечки за задвижкой аварийного отключения можно игнорировать, если они не представляют угрозу для безопасности. Степень утечки должна основываться на способности установки контролировать опасность, создаваемую такой утечкой.
  • Высокоэффективная сварочная технология для толстых материалов. Включает плавку поверхностей металлических деталей и применение наполнительного металла с расплавленным шлаком с целью слияния. Чтобы нагреть шлак, через него пропускается электрическая дуга, но сама дуга при этом гасится шлаком.
  • Задвижка, состоящая из отдельной заслонки и звена. Во время работы клапана заслонка и звено двигаются не касаясь седел, что позволяет открывать и закрывать клапан, не изнашивая его. В закрытом положении, заслонка и звено прижаты к седлу. Продолжительное движение заслонки вниз заставляет заслонку и звено равномерно расширяться по седлам (смотрите механическое уплотнение). Когда клапан достигает полностью открытого состояния, заслонка и сегмент создают герметизацию за счет упора в седла, при этом поток отсекается от корпуса клапана.
  • Предотвращение взрыва, который вызывается электрическими частями, посредством размещения в специальных кожухах. Требования к электрическим устройствам, таким как соленоиды и переключатели, когда оборудование находится в потенциально взрывоопасной обстановке.
  • Явление, возникающее в резиновых уплотнениях после воздействия газа под высоким давлением. Этот газ проникает в эластомер сквозь дефекты, имеющиеся во всех формованных резиновых изделиях. Во время смещения равновесия (быстрое снижение давления), газ в уплотнении расширяется, вызывая появление внутренних разрывов в материалах с высоким модулем упругости при сдвиге (твердых материалах), а в материалах с низким модулем упругости при сдвиге (мягких материалах) – появление пузырьков.
  • Используется в подземных клапанах, в которых пробка сливного отверстия недоступна. Вместо этого, на поверхность выводится трубопровод, на конце которого установлен небольшой клапан. Давление трубопровода используется для продувки конденсатов и других материалов, оседающих на дне полости корпуса. Смотрите продувочный клапан.
  • Крышка с отводом, расположенным между уплотнениями штока и фланцем крышки для горячего и холодного сервиса.
  • Оборудование, применяемое для подземных клапанов ради обеспечения доступа с поверхности земли к рабочим механизмам, системам продувки и смазки седла.
  • Покрытие, применяемое с целью защиты клапанов от воздействия окружающей среды, например, морского воздуха, соленой воды, земли и воздуха.
  • Деформация, вызванная давлением, или удлинение части уплотнения, при котором удлиненная часть попадает в зазор между сопрягаемыми поверхностями уплотнения.

F

  • Клапан, корпус которого изготовляется не литьем или ковкой, а создается из плит или трубы, сваренных вместе.
  • Общий размер клапана от торца на входе до торца на выходе (от одного конца до другого). Размер определяется документом ASME B16.10, а для клапанов трубопровода – документом API 6D / ISO 14313, чтобы гарантировать взаимозаменяемость таких клапанов независимо от изготовителя.
  • Окончательная обработка поверхности соприкосновения фланцевой арматуры.
  • При возникновении неполадка в системе трубопроводов, клапана с дистанционным управлением разработан таким образом, чтобы автоматически либо открыть, либо закрыть клапан.
  • Явление, приводящее к разрушению при повторяемых или варьируемых нагрузках, максимальное значение которых меньше прочности материала на растяжение.
  • Контроль сопротивления усталости компонента, проходящего определенное число рабочих/проектных циклов.
  • Смотрите выпускной торец или муфтовое замкнутое соединение.
  • Численный метод анализа сложных форм, заключающийся в преобразовании объема в ряд меньших элементов, которые можно более точно анализировать с целью определения пригодности компонентов для их предусмотренного назначения.
  • Внутренняя винтовая резьба, создаваемая для соединения с компонентом с наружной резьбой того же размера и типа.
  • Оборудование является обслуживаемым на месте эксплуатации, если нормальный ремонт или замена рабочих частей может выполняться на месте эксплуатации без возврата частей изготовителю.
  • Температура, при которой топливо буде продолжать гореть после воспламенения.
  • Данный термин применяется для описания огнестойкости клапана при пожаре. Чтобы получить этот вид сертификации, клапан должен подвергаться воздействию огня в течение 30 минут. При подтверждении допустимой утечки (через испытуемый клапан и также внешней утечки), клапан считается пожаробезопасным. Некоторые типичные спецификации пожарных испытаний клапанов включают ISO 10497, BS 6755 Часть 2, API Spec 6FA, API Spec 6FC, API Spec 6FD и API 607 (3-яя редакция).
  • Любое устройство, применяемое для соединения элементов в трубопроводах для жидкости, например, колени труб, тройники, ниппели, соединительные муфты, фланцы и так далее.
  • Литой или формованный фитинг, состоящий из выступающего радиального кольца с болтовыми отверстиями, позволяющий соединять трубные компоненты, оборудованные подобным фитингом. Конечный компонент клапанов, имеющих фланцевый конец.
  • Лишний материал на формованном изделии, который обычно должен быть убран.
  • Низшая температура, при которой горючая жидкость может создавать воспламеняющуюся смесь в воздухе.
  • Явление испарения жидкости из-за внезапного перепада давления в клапане. В особенности, возникает, когда давление за клапаном ниже давления пара перед клапаном. Помимо физических повреждений, мгновенное парообразование в регулирующем клапане приводит к ухудшению преобразования клапаном перепада давлений в пределах клапана в массовую скорость потока.
  • Специальный клапан, в котором гибкий рукав или трубка используется в качестве закрывающего элемента. Давление, прикладываемое к пространству рубашки вокруг трубы, управляет открытием и закрытием клапана.
  • Шаровой клапан, в конструкции которого для крепления шара не используется цапфа. Шар может свободно плавать между кольцами седла, и обеспечивает по этой причине более высокие значения крутящего момента.
  • Жидкость, движущаяся в несущем трубопроводе.
  • ValveTermsPage.p173
  • Прибор для измерения расхода или полного расхода, а также и того, и другого.
  • Объем или вес текучей среды, проходящей сквозь трубопровод или носитель среды за единицу времени.
  • Вещество, не являющееся твердым телом, способное течь. Жидкости и газы относятся к текучим средам.
  • Углеродная основа, органическое соединение, в структуру которого входят атомы фтора. Наличие фтора обеспечивает повышение химической и высокотемпературной стойкости.
  • Интенсивность воздействия, способного приводить к движению, деформации или изменению формы. Произведение давления (в барах) и площади, на которую воздействует сила. Обычно выражается в Ньютонах (единицы СИ) или фунты (единица, не входящая в Международную систему единиц).
  • Часть, которая изготавливается в процессе нагревания и ковки до определенной формы.
  • Колебательное движение небольшой амплитуды между двумя твердыми соприкасающимися поверхностями в направлении касательной.
  • Вид фреттингового износа, в котором значительную роль играет коррозия.
  • Изнашивание в результате фреттинга.
  • Сопротивление движению между двумя соприкасающимися поверхностями или веществами. Трение также возникает между текущей средой и внутренней стеной несущего трубопровода, и приводит к падению давления.
  • Загрязнение атмосферы выбросами вне дымовых труб определяется как утечка жидкости (например, углеводородов, химических веществ или их смеси). Тест на утечку загрязняющих веществ выполняется с целью оценки подавляющей способности двухпозиционных и регулирующих клапанов и их уровня эффективности применительно к загрязнению атмосферы выбросами вне дымовых труб. Спецификация для теста на утечку загрязняющих веществ описывает тип метода обнаружения и испытуемое вещество, а также указывает критерии приемки и отклонения.
  • Смотрите полнопроходной клапан.
  • Описывает клапан, чей внутренний канал номинально равен каналу присоединяемой трубы. Смотрите клапан Вентури.
  • Описывает тип сварки, при которой свариваемые металлы провариваются и входят в соприкосновение по всей толщине стенки сочленения.
  • Означает шаровой клапан, в конструкции которого корпус и сочленения закрывающего компонента полностью свариваются, завершая сборку клапана. Этот тип конструкции нельзя разобрать или отремонтировать на месте эксплуатации.
  • Процесс, при котором наплавленные материалы, имеющие характеристики, превосходящие характеристики основы, наносится на основу. Часто, наносятся два слоя общей толщиной 3-6 мм для того, чтобы снизить ослабление твердости поверхности относительно дешевых стальных основ в дорогих сплавах на основе кобальта. Наплавка твёрдым сплавом очень эффективна с точки зрения повышения устойчивости к износу и коррозии подбираемых участков механического оборудования, например, режущих кромок землеройного оборудования или уплотняющих участков клапанов. Типичные методы наплавки твёрдым сплавом включают применения горелки для газоэлектрической сварки (дуговая сварка металлическим плавящимся электродом в среде инертного газа, дуговая сварка вольфрамовым электродом в защитном газе, сварка стальным электродом в газовой среде, дуговая сварка под флюсом), и другие процессы (электрошлаковая сварка).

G

  • Разновидность поверхностного изнашивания, возникающая между скользящими твердыми телами, для которой характерно макроскопическое, обычно локализованное огрубление и появление выступов над поверхностью. Часто включает пластическое течение, перенос материала, или оба эти явления. Истирание обычно начинает проявляться тогда, когда давление соприкосновения превышает некоторую пороговую величину. Наволакивание может предшествовать заеданию или потере функциональности.
  • Коррозия, связанная с электрическим током, возникающим в результате электрического взаимодействия разнородных материалов (электродов) в электролите.
  • Сжимаемая текучая среда, например, воздух, водород, азот и так далее.
  • Герметик или набивочный материал, располагаемые между механическими сочленениями (например, фланцами), чтобы предотвратить утечку текучей среды.
  • Испытание газом можно разделить на две категории, а именно, на испытание газом высокого и низкого давления. Эти два испытания считаются дополнительными требованиями к испытанию в спецификации API 6D. В случае испытания газом низкого давления, наиболее часто используется азот и критерии приемки на основе стандарта ISO 5208. В случае испытания газом высокого давления, выполняется стандартное гидростатическое испытание седла, требуемое документом API 6D, при котором в качестве испытательного вещества используется инертный газ (обычно гелий).
  • Закрывающий элемент задвижки.
  • Стандартный проходной клапан, закрывающий компонент которого представляет собой клин или пластину с параллельными стенками, установленную между двумя неподвижными посадочными поверхностями и способную вдвигаться или выдвигаться в поток в направлении, перпендикулярном оси трубопровода.
  • Прибор, у которого обычно имеется резьбовое соединение, измеряющий и указывающий давление в системе трубопроводов в точке присоединения манометра.
  • Часть клапана, которая удерживает или сжимает набивку штока в сальниковой набивке (если она используется) или удерживает уплотнительное кольцо штока, манжетное уплотнение, или втулку уплотнительного кольца. Иногда может регулироваться вручную. Смотрите сальниковая набивка.
  • Панель в клапане, которая удерживает втулку сальника или уплотнения штока, и иногда выполняет функцию направляющей для штока.
  • Температура, при которой вязкие полимеры теряют способность течь или хранить энергию и становятся твердыми и хрупкими (как стекло).
  • Клапан, закрывающий элемент которого представляет собой плоский диск или коническую пробку на седле, которое обычно параллельно оси потока. Бурное состояние потока создает относительно высокую потерю давления.
  • При этом типе сварки, также известном как сварка плавящимся электродом в инертном газе, электрическая дуга устанавливается между заготовкой и плавящимся проволочным электродом. Дуга непрерывно плавит проволоку по мере того, как она направляется в сварочную ванну. Металл сварного шва защищается от воздуха потоком инертного газа или газовой смеси.
  • Приведение клапана в действие посредством механизма, который увеличивает в несколько раз крутящий момент, прикладываемый к штоку клапана. Смотрите механизм с конической, зубчатой передачей и ручной механический привод.
  • Также известна как сварка вольфрамовым электродом в инертном газе. Представляет собой процесс сварки электрической дугой, в котором применяется неплавящийся вольфрамовый электрод, выполняющий сварку. Место сварки защищается от атмосферного загрязнения защитным газом (обычно инертный газ, например, аргон) и наполняющим металлом, который чаще всего используется, хотя некоторые методы сварки, известные как автогенная сварка, не применяют его. Источник питания постоянного тока обеспечивает энергию, которая передается по дуге, и столбу высокоионизованного газа и металлических паров, которая называется плазмой.

H

  • Колесо, состоящее из обода, соединенного со ступицей, например, посредством спиц, применяемое для ручного управления клапаном, требующим многочисленных оборотов.
  • Обработка поверхности, например, с помощью детонационной пушки для нанесения твердосплавного покрытия сплавлением или процесс нанесения покрытия в условиях непрерывного сжигания газа при высоком давлении в камере сгорания с вводом порошкообразного сорбента через её центральную часть. Во время такого процесса твёрдый сплав наносится на металлическую поверхность с целью усиления стойкости к износу и/или стойкости к коррозии.
  • В металлургии, твердость определяется, как способность материала сопротивляться деформации, вызванной, как правило, вдавливанием. Измерение твердости могут определяться как крупномасштабные, маломасштабные и наноразмерные в зависимости от прилагаемых сил и получаемых смещений.
  • Способы определения сопротивления проникновению. В металлической промышленности, наиболее часто применяются **испытание на твёрдость по Бринелю**, **испытания на твердость по Роквеллу** и **испытание на твёрдость по Виккерсу**. Эти испытания определяют сопротивляемость проникновению недеформируемого шарика или конуса путем измерения глубины, на которую такой шарик или конус погружается в металл при данной нагрузке в пределах указанного периода времени. Документ ASTM A370 указывает процедуры для испытаний по Бринелю и Роквеллу.
  • Часть неблагородного металла, которая не расплавилась, но механические свойства которой, или микроструктура изменились из-за воздействия тепла сварки или резки.
  • Химический анализ, выполняемый литейным цехом непосредственно перед разливкой, в ходе которого измеряется точный химический состав определенной партии расплавленного металла. Данный анализ не включает в себя анализ физических свойств. Смотрите испытание в заводском масштабе и сертификат качества материалов.
  • Описывает любой процесс или процедуру, посредством которой внутренняя структура стали изменяется нагреванием с целью получения желаемых физических характеристик. Обычно выполняется нагревом в печи, после чего выполняется регулируемое охлаждение.
  • Диаграммы печи, указывающие соответствие температуры времени для циклов нагревания и охлаждения, которые требуются определенным процессом термообработки применительно к определенной загрузке печи сталью или стальными частями.
  • Явная зона контакта между двумя не соответствующим требованиям твердыми телами, которые прижаты друг к другу согласно расчету по уравнениям Герца об эластичной деформации.
  • Величина давления в любом конкретном месте в зоне контакта Герца согласно расчету по уравнениям Герца об эластичной деформации.
  • Плоскостное растрескивание, возникающее в углеродных и низколегированных стальных сплавах, когда атомарный водород растворяется в стали, а затем объединяется и образует молекулярный водород в ловушках. Растрескивание возникает в результате повышения давления в ловушках, создаваемого водородом. Для образования растрескивания под воздействием водорода не требуется внешнего напряжения. Обычно это явление привязано к толстолистовой стали низкой прочности, которая применяется в производстве труб и сосудов.
  • Клапан с приводом и система управления, предназначенные для защиты от сверхдавления стояков трубопровода.
  • Недостаток или оголённый участок в покрытии или покраске.
  • Специальный процесс формовки для уплотнения и металлургического связывания металлического порошка. Данный процесс происходит в гибком металлическом контейнере, содержанию которого придается желаемая форма путем воздействия на контейнер высокой температуры и давления в автоклаве. В результате создается полностью обработанная структура.
  • Процесс, при котором производится врезка в трубопровод под давлением с целью обеспечения бокового выхода. Фитинг с фланцем приваривается к трубопроводу посредством гребенчатого шва, а к фланцу приваривается полнопроходной клапан. Установка горячей врезки, соединенная с внешним клапаном болтами, работает через открытый клапан. После срезания круглого образца для испытания со стенки трубы, образец снимается с трубы путем втягивания через клапан и камеру установки горячей врезки. После этого клапан закрывается, и установка горячей врезки с образцом удаляются с клапана.
  • Растрескивание, возникающее в результате присутствия водорода в металле и растягивающего напряжения (остаточного или прикладываемого). Водородное растрескивание применимо к растрескиванию в металлах, нечувствительных к сульфидному растрескиванию под напряжением, но которые могут охрупчиваться под воздействием водорода при гальванической связи с другим металлом, который активно корродирует в качестве анода.
  • Выступающий обод с внешним уголковым плечом и уплотняющим механизмом для подключения оборудования под давлением.
  • Метод напыления при высокой температуре, применяемый для нанесения защитного покрытия на основу. В факел вводится и сжигается смесь горючего (газообразного или жидкого) и кислорода. Продукты сгорания выходят сквозь сопло, которое ускоряет поток до скорости 1500 м/сек. В газовый поток вводится порошковый питатель, порошок ускоряется потоком до 800 м/сек. Поток горячего газа и порошка направляется на покрываемую поверхность. Порошок частично расплавляется и осаждается на основе. Получающееся покрытие имеет низкую пористость и высокую прочность сцепления.
  • Клапан, шток которого управляется непосредственно вентилем, который в итоге управляет самим клапаном.
  • Термин применяется в отношении оборудования, использующем воду, масло или другие жидкости.
  • Движение седел в клапане управляется путем применения воды, масла или других жидкостей под давлением.
  • Испытания, при которых клапан наполняется водой и испытывается давлением. Согласно ISO 14313 / API 6D, гидростатическое испытание на герметичность включают: Гидростатическое испытание оболочки: выполняются при давлении, превышающем проектное давление в 1.5 раза. Смотрите также испытательное давление. Гидростатическое испытание седла: выполняются при давлении, превышающем проектное давление в 1.1 раза.
  • Испытания моделированного давления и глубины.
  • Разница между показаниями при изменении измеряемой величины от минимального значения до максимального и показаниями при изменении измеряемой величины от максимального значения до минимального при воздействии одинакового входного значения и при выполнении измерения с противоположного направления. Может быть вызван множеством переменных, трением набивки, слабым сцеплением, падением давления и так далее.

I

  • Мера диаметра отверстия круглой части.
  • Таблица, в которые сведены данные, необходимые для оценки привода, например, функционирование, размер клапана, давление подачи и так далее.
  • Мировая лидирующая организация, которая готовит и публикует Международные стандарты для всех технологий электрического, электронного и связанного с ними оборудования. Все Международные стандарты МЭК строятся на полностью согласованной базе и отражают потребности ключевых держателей акций всех наций, принимающих участие в работе МЭК. Каждая страна-участник имеет один голос и мнение касательно того, что включается в Международный стандарт МЭК. МЭК создает стандарты для определения параметров клапанов.
  • Образование полостей или пузырьков в потоке жидкости, которое начинается, когда давление первый раз опускается ниже давления паров. Определяется отклонением от квадратичного отношения между объемной скоростью потока и падением давления, а также по усилению шумового излучения.
  • Испытание седел на утечку в собранном клапане путем увеличения прикладываемого давления на заранее указанные шаги.
  • Свойство тела или массы, заключающееся в сопротивлении изменения скорости.
  • Отношение между коэффициентом потока и соответствующим ходом клапана. Не зависит от вида привода. Наиболее распространёнными типами неотъемлемых характеристик потока являются: линейная, равнопроцентная, модифицированная параболическая, и быстрое открытие.
  • Фитинг, сквозь который вводится смазочный или герметизирующий материал.
  • Канал, который присоединяется непосредственно к верхней стороне системы текучей среды.
  • Покрытие, содержащее пигмент цинкового порошка в неорганической основе.
  • Обслуживание или ремонт оборудования "в месте первичного размещения" (in its original place), например, шаровой кран с верхним разъёмом.
  • Интеллектуальные скребки – это устройства, которые двигаются внутри трубопровода под действием толкающей их текучей среды. Главным образом, используются для обнаружения утончения стены, вызываемого обычной коррозией.
  • Функция самостоятельного сброса давления в клапанах с зависимой установкой, которая позволяет автоматически сбрасывать чрезмерное внутреннее давление корпуса, создаваемое резкими изменениями в давлении линии. Используя принцип эффекта поршня, чрезмерное давление корпуса перемещает седло в сторону от его монтажной поверхности, и сбрасывается на стороне низкого давления.
  • Сеть институтов национальных стандартов в 157 странах. Является крупнейшим мировым разработчиком и издателем Международных стандартов. Программа работы ISO включает стандарты для сельского хозяйства, строительства, инженерии, промышленности, логистики, информационных технологий и технологий связи. www.iso.org
  • Спецификация ИСО, рассматривающая противопожарные испытания клапанов для трубопроводов.

K

  • Метод ограничения хода шарового клапана от полностью открытого состояния до полностью закрытого состояния и наоборот. Ключ штока подпирает концы арки, приточенной или присоединённой к адаптерной плите.
  • Относительная микротвёрдость материала определяется испытанием вдавливания по Кнупу. В испытании применяется алмазный индентор в виде пирамиды (называется **индентор Кнупа**), который вдавливается в материал, оставляя ромбовидный след, одна диагональ которого в семь раз больше другой. Твердость материала определяется измерением глубины проникновения наконечника Кнупа.

L

  • Поток вязкой среды, в котором среда двигается параллельными слоями с постоянным градиентом скорости от центральной линии до стены содержащего среду трубопровода. Иногда называется **плавным обтеканием** (Streamline Flow).
  • Смотрите **шевронную набивку** (Chevron Packing).
  • Скорость, с которой среда (жидкость или газ) проходит сквозь уплотнение или барьер.
  • Проушины, установленные на оборудовании для его подъема и позиционирования. Также называется **подъёмной серьгой** (Lifting Eyes).
  • Электрическое устройство, обеспечивающее подачу сигнала на удаленную наблюдательную станцию с целью показать, когда клапан находится в полностью открытом или закрыто состоянии. Обычно является частью приводного устройства клапана.
  • Труба, трубопровод или шланг для транспортирования текучих сред.
  • Неотъемлемая характеристика потока, которую можно идеально представить прямой линией в прямоугольных координатах для иллюстрации зависимости потока от хода в процентах. Поэтому, равные увеличения хода соответствуют равным увеличениям потока при постоянном падении давления.
  • Круглое, уплотняющее кольцо с U-образным поперечным сечением, охватывающее пружинный элемент, и обеспечивающее упругость и уплотнение на внутренней и внешней кромке U-образного сечения.
  • Метод **неразрушающих испытаний** (NDE), применяемый для обнаружения неоднородностей, выходящих на поверхность, таких как трещины, линии швов, морщины, непровары, расслоения, дефекты сплавления в сварных швах, в литье или ковке с помощью специальной окрашенной жидкости. Методы и процедуры рассматриваются в **ASME V, статья 6**, и **ASTM E165**.
  • Устройство, которое можно монтировать либо на рычажные клапаны, либо на клапаны с приводом с целью блокирования клапана в либо полностью открытом, либо закрытом положении.
  • Седла, оборудованные системой ввода смазочного материала. Смотрите **аварийное введение герметизирующего материала** (Emergency Sealant Injection).
  • Любое вещество, помещаемое между двумя поверхностями с целью уменьшения трения или износа между этими поверхностями.

M

  • Процедура проверки для обнаружения трещин на поверхностях и других неоднородностей на поверхности или рядом с ней, **ферромагнитных материалов**, использующая мелкие железные частицы в магнитном поле. Методы и процедуры рассматриваются в **ASME V, статья 7**, и **ASTM E709**.
  • Внешняя резьба на трубе, фитингах или клапанах, применяемая для соединений с соответствующей частью с внутренней резьбой.
  • Труба или камера с несколькими поперечно установленными выпусками. Также называется **сборником** (Header).
  • МДРД – это аббревиатура для «**максимально допустимое рабочее давление**» (Maximum Allowable Operating Pressure). Определяется согласно правилам по изготовлению и эксплуатации трубопроводов, распоряжениями Министерства транспорта и так далее.
  • Прибор для сортировки потоков электрически заряженных частиц согласно их массам посредством отклоняющих полей. Прибор может создавать фотографические или графические записи каждого вещества и его процентного содержания. Наиболее часто применяется при анализе бензина и стальных изделий.
  • Листок технических данных на материалы определяет минимальные требования к материалам – химические спецификации, изготовление, квалификацию поставщика, механические испытания и свойства, неразрушающее испытание, ремонт, маркировку и сертификацию.
  • Перекрытие в клапане, создаваемое путем механических средств в отличие от применения давления текучей среды или трубопровода. Примерами механических уплотнений в клапане являются: расклинивающее действие заслонки относительно седел, или пружинам седла, толкающими седло к шару, или задвижке.
  • Покрытие неметаллической поверхности тонким металлическим слоем путем распыления, погружения в горячий расплав, или вакуумного осаждения.
  • Зона уплотняющего контакта между уплотняющей поверхностью кольца седла и закрывающим элементом – контакт типа **металл к металлу**. Например, в шаровом клапане, контакт шара и седла и зона уплотнения является типом “металл к металлу”. Обычно используется для работы в тяжёлых условиях.
  • Система для проверки или подтверждения расходомера. В трубу известного диаметра запускается плотно прилегающая к трубе сфера. Текучая среда толкает сферу в участке с измеренной длиной между двумя устройствами для обнаружения сферы. Зная время перемещения сферы и точный объем между двумя станциями, вычисляется величина расхода и сравнивается с показаниями расходомера.
  • Участок трубопровода, в котором установлен измеритель объема среды, текущей сквозь трубопровод.
  • Привод управления, приводимый в действие вручную посредством вентиля.
  • Сертификат, предоставляемый сталелитейным заводом, и указывающий химический анализ и физические свойства конкретной партии стали. Смотрите **анализ плавки** (Heat Analysis).
  • Все испытания, требуемые спецификацией материала, обычно включают и **анализ плавки** (химический) и **физические свойства**.
  • Смотрите **сертификат качества материалов** (Mill Certificate).
  • МКФ – это аббревиатура для «**миллионов кубических футов**» (million cubic feet). Применяется для обозначения объема газа и потока газа в трубопроводах (миллион кубических футов в час или день).
  • Смотрите **механический привод** (Power Operator).
  • Напряжение, требуемое для создания относительного удлинения (деформации), обычно 100%. В эластомерах, является удобным индикатором жёсткости и сопротивления экструзии. Также называется **модулем на растяжение** (Tensile Modulus).
  • Смотрите **модуль Юнга** (Young's Modulus).
  • Полость (часто в плотном песке) для задания желаемой формы материалу в расплавленном или пластичном состоянии. Применяется при изготовлении изделий металлического литья.
  • Масса одной молекулы вещества, выраженная в **атомной единице массы** (unified atomic mass unit).
  • Эксплуатационная процедура, при которой два клапана (как правило, регуляторные) устанавливаются последовательно и настраиваются так, чтобы в случае отказа первичного регулятора резервный регулятор автоматически включился в работу при немного более высокой настройке давления.
  • Техническая организация, занимающимися техническими потребностями промышленности клапанов и фитингов. Стандарты и правила составляются и пересматриваются техническими комитетами и рассматривают вопросы по клапанам, приводам клапанов, трубным фитингам, фланцам и трубным подвескам. Рекомендации общества носят исключительно консультативный характер. www.mss-hq.com
  • Поток, созданный смесью двух (или более) различных фаз.
  • Максимальное рабочее давление, при котором может работать клапан.

N

  • Профессиональная организация, основанная в 1943 году, была созданная для индустрии производящей защиту от коррозии. Эта организация публикует документы, статьи и стандарты по всем вопросам коррозии, которая также создала определяющий стандарт на материалы клапанов для сернистого нефтяного газа. Ранее называлась “Национальная ассоциация инженеров-коррозионистов” (National Association of Corrosion Engineers). www.nace.org
  • Американский стандарт **конической трубной резьбы (NPT)** или **цилиндрической трубной резьбы (NPS)**, которая применяется для соединения труб и фитингов.
  • Разновидность небольшого клапана, которая применяется для **дозирования расхода** (flow metering). В этом клапане используется коническая заслонка с игольчатым наконечником или закрывающий элемент, и седло с небольшим отверстием.
  • Короткая трубчатая деталь небольшого размера с резьбой на концах. Применяется на концевых соединениях клапанов с резьбовыми концами и небольших системах трубопроводов.
  • Уровень звукового давления, обычно выражаемый в **дБА (акустические децибелы)**, который создается регулирующим клапаном при работе в указанных условиях процесса.
  • Те контрольные испытания, которые не разрушают структуру изделия и не вредят его функционированию. Смотрите **рентгенографический контроль (RT)**, **испытание проникающей жидкостью (Liquid Penetrant Test)**, **магнитопорошковая дефектоскопия (Magnetic Particle Test)** и **ультразвуковое испытание (Ultrasonic Test)**.
  • Клапан-задвижка, шток которого соединен с заслонкой резьбовым соединением. Когда шток вращается, заслонка двигается, но шток при этом не поднимается. На резьбу штока оказывает воздействие текучая среда трубопровода.
  • Клапан с электрическим управлением, входное отверстие которого закрыто, если на обмотку соленоида не подается питание. **Чтобы открыть, подайте питание** (Energize to open). Смотрите **Соленоид** (Solenoid) (Раздел 2).
  • Клапан с электрическим управлением, входное отверстие которого открыто, если на обмотку соленоида не подается питание. **Чтобы закрыть, подайте питание** (Energize to close). Смотрите **Соленоид** (Solenoid) (Раздел 2).
  • Обозначение размера в имперской системе исчисления, типичное для компонентов трубных систем любого размера. Стандартный размер труб обозначается буквами **NPS**, за которыми следует номер. Смотрите **стандартную трубную резьбу** (National Pipe Thread) и **API 6D/ISO 14313**.

O

  • Числовой параметр для измерения самого крайнего диаметра круговой части.
  • Устройство, преобразующее энергию ручного, гидравлического, пневматического или электрического воздействия в механическое воздействие, открывающее и закрывающее клапан.
  • Температура рабочей среды, при которой работает клапан, и при которой этот клапан должен открываться или закрываться в любой момент.
  • Время, требуемое механическому приводу для перемещения клапана из полностью открытого состояния в полностью закрытое состояние или наоборот.
  • Эластомерное или синтетическое кольцо уплотнения с круговым поперечным сечением.
  • Клапан, в котором текучая среда не касается резьбы штока. Между корпусом клапана и резьбой штока находится уплотняющий элемент.
  • Отверстие, которое непосредственно соединяется со стороной выпуска системы текучей среды.

P

  • Деформируемый уплотняющий материал, который вставляется в сальниковую набивку штока клапана, и который затем сжимается **крышкой сальника** (Gland), обеспечивая, таким образом, герметичное уплотнение вокруг штока. Смотрите **Крышку сальника** и **Сальниковую набивку** (Stuffing Box).
  • Смотрите **Крышку сальника** (Gland).
  • Требуется для литых компонентов. Представляет собой форму, обычно изготовляемую из дерева и применяемую для создания литейной формы, в которую выливается расплавленный металл.
  • Смотрите **Квалификационное испытание** (Qualification Test).
  • Мера способности проникновения жидкости или газа сквозь резиновый материал.
  • Термореактивная смола, покрывающая внутренние и/или внешние части клапана с целью замедления коррозии.
  • Устройство, размеры которого близки к каналу трубы, которое направляется в трубопровод с целью его очистки от чужеродных материалов и мусора. Клапаны в трубопроводе, который будет очищаться скребком, должны быть **полнопроходными**, в противном случае скребок не сможет пройти сквозь трубопровод.
  • Подпружиненный регулятор давления для управления давлением и расходом других более крупных регуляторов или устройств.
  • Регулятор, который управляется вторым высокоточным регулятором меньшего объема или **вспомогательным регулирующим механизмом** (Pilot). Данная схема имеет преимущества, так как позволяет повысить производительность путем минимизации влияния дисбаланса и ослабления. Число случаев применения также возрастает, поскольку возможно применение вспомогательного регулирующего механизма широкого спектра конфигураций.
  • Внутренний входной вал определенных приводных устройств, который приводит в действие внутренний редукторный механизм. Вал шестерни может работать от вентиля или механического привода.
  • В подземном клапане, вал шестерни для приводного устройства должен удлиняться выше номинального размера с целью управления клапаном.
  • Поправочный коэффициент, учитывающий потери давления, возникающие из-за трубных фитингов, например, переходных соединений, которые могут присоединяться непосредственно к входным и выходным соединениям регулирующего клапана.
  • Принцип герметизации, применяемый для утилизации давления в трубопроводе с целью создания уплотнения на концах плавающих седел некоторых клапанов.
  • В случае винтовой резьбы, **шаг** (pitch) означает размер между двумя соседними видами резьбы. **Длина хода** (lead) означает расстояние, которое проходит винт при одном полном обороте. Червячные механизмы механических приводных устройств также идентифицируются с помощью шага и длины хода. С шагом и длиной хода связаны скорость работы и крутящий момент.
  • Вид износа, для которого характерно наличие поверхностных полостей, появление которых связывается с такими процессами, как усталость, местная адгезия или кавитация.
  • Вращающийся закрывающий элемент пробкового крана. Также, фитинг с резьбой, применяемый для закрытия и герметизации отверстия, ведущего в камеру, находящуюся под давлением. Пример: заглушка трубы.
  • Клапан на четверть оборота, закрывающий элемент которого обычно представляет собой конусную пробку с прямоугольным отверстием.
  • Относящийся к оборудованию, в котором использует воздух или газ.
  • Для большинства материалов, при воздействии одноосного растяжения на стержнеобразный образец, образец немного сокращается в поперечном направлении. **Отношение поперечной деформации к продольной деформации** определяется как коэффициент Пуассона. Для большей части резиновых материалов, коэффициент Пуассона равен 0.5 (несжимаемый), для металлических материалов, он примерно равен 0.3.
  • Смотрите **Канал** (Bore).
  • Любое внешнее устройство, которое визуально указывает на открытое или закрытое положение клапана. Смотрите **Индикатор штока** (Stem Indicator).
  • Клапаны с механическим приводом бывают следующих основных типов: **Электродвигатель**, **Пневматический** или **Гидравлический двигатель**, **Пневматический** или **Гидравлический цилиндр**. Механические приводы могут устанавливаться непосредственно на шток клапана или монтироваться сбоку на уже имеющийся привод или приводы с треугольным шатуном.
  • Части, например, крышки, корпуса, прокладки, штоки, уплотнения и болтовые соединения, предназначенные для сдерживания текучей среды трубопровода.
  • Части, например, седло или **обтюратор** (obturator), предназначенные для блокирования или пропускания потока текучей жидкости.
  • Смотрите **Дифференциальное давление** (Differential Pressure).
  • Снижение давления вдоль направления потока в системе трубопроводов, вызванное трением текучей среды и фитингами, меняющими направления ее потока. Падение давления связано с **гравитационной вязкостью**, зависящей от скорости и с размером и шероховатостью внутренней стенки трубы. Смотрите **Дифференциальное давление** (Differential Pressure).
  • Коэффициент соотношения падения давления (общее падения давления относительно входного давления), требуемый для создания **запертого газового потока** (choked gas flow) через клапан без присоединенных фитингов.
  • Коэффициент отношения между падением давления клапана и падением давления **суженого сечения** (vena contracta) для случая, когда поток становится **запертым из-за кавитации**. Определяется измерениями скорости потока, при поддержании постоянного верхнего давления и снижении нижнего давления вплоть до момента возникновения запертого потока.
  • Регулятор, предназначенный для управления **нижнего давления** (downstream pressure). Смотрите **Регулятор** (Regulator).
  • Предохранительное устройство, требуемое на большинстве систем давления, которое заранее настраивается на сброс давления в линии, если это давление превышает определенный предел. (Иллюстрирует тип клапана)
  • Реле (обычно электрическое), которое активируется скачком или падением давления. Также называется **трансдуктором** (Transducer).
  • Испытание, при котором применяются определенные значения давления жидкости или газов с целью проверки уплотнения, целостности, проектных стандартов, а также других параметров конкретного изделия.
  • Первый слой краски, наносимый на поверхность, состав которой обеспечивает качественное связывание и смачивающие характеристики. Может включать, но необязательно, **противокоррозионные пигменты** (inhibitive pigments).
  • Части, на которые оказывает непосредственное влияние текучая среда трубопровода, например, шар, заслонка или седла.
  • Проверка, выполняемая изготовителем клапана с целью гарантирования соответствия химического состава полученного материала **анализу плавки** (heat analysis) и требованиям применяемой спецификации.
  • Гидростатическое испытательное давление, которое превосходит рабочее давление обычно в **1.5 раза**, прикладываемое к собранному клапану с целью проверки структурной целостности частей, находящихся под давлением. Означает то же, что и **Гидростатическое испытание оболочки** (Hydrostatic Shell Test).
  • Круглая, трубовидная муфта, которые устанавливаются на место шара и седел **шарового клапана с верхним разъёмом** (top-entry ball valve). Такая предохранительная муфта остается внутри клапана во время его монтажа и окончательной очистки трубопровода **скребком** (pigging), выполняющейся с целью очистки от мусора из трубопровода перед его вводом в эксплуатацию. После очистки трубопровода от мусора, все предохранительные муфты полностью снимаются из полости шарового клапана, после чего устанавливается **рабочая арматура** (i.e. ball and seats) для нормальных условий эксплуатации.
  • Единица измерения давления. **Не является единицей СИ** (Not a SI unit).
  • ПТФЭ - это аббревиатура обозначающая **политетрафторэтилен (тефлон)** (Polytetrafluoroethyiene). Является типом фторированного термопласта, для которого характерна значительная химическая стойкость, низкая выщелачиваемость и исключительная смазывающая способность. Максимальная ограничивающая температура равна 500F (260C).
  • Ритмическое биение или вибрация в потоке трубопровода или колебания давления, которые повторяется через постоянный интервал времени. Пульсация является неотъемлемой характеристикой **поршневых газовых компрессоров** и **поршневых жидкостных насосов**. Пульсации давления и потока воздействуют на систему трубопроводов, в результате чего возникает вибрация, ошибки измерения и потенциальные повреждения оборудования.
  • Шаровой клапан, который не предназначен для системы включения и выключения, но его специальной функцией является управление потоком и **предотвращение появления кавитации в насосах** на жидкостных трубопроводах.
  • Смотрите **переходной элемент трубопровода** (Transition Piece).

Q

  • Дополнительные требования к испытаниям изделия, которые выполняются с целью определения соответствия изделия всем требованиям определенной спецификации. В основном, выполняется **третьей независимой стороной** с целью определения пригодности изделия для конкретного случая применения. Также называется **проверочными испытаниями для определения эксплуатационных характеристик** (Performance Verification Test).

R

  • Дополнительные требования к испытаниям изделия, которые выполняются с целью определения соответствия изделия всем требованиям определенной спецификации. В основном, выполняется **третьей независимой стороной** с целью определения пригодности изделия для конкретного случая применения. Также называется **проверочными испытаниями для определения эксплуатационных характеристик** (Performance Verification Test).

S

  • Быстродействующий **подпружиненный клапан**, который открывается (сбрасывает давление), когда давление превышает усилие пружины. В частности, клапан открывается **пропорционально при увеличении давления**. Часто устанавливается на полости корпуса шарового клапана и задвижки с целью сброса **теплового сверхдавления** в жидких средах.
  • Дуговая сварка под флюсом – это обычный процесс дуговой сварки. Требует постоянной подачи расплавляемого твердого или трубчатого (порошкового) электрода. Зона сварки и дуги защищены от атмосферного загрязнения погружением под слой **зернистого легкоплавкого потока (флюса)**. При расплавлении, поток становится проводником тока и создает электрическую цепь между электродом и рабочей деталью.
  • Растрескивание металлов, вовлекающее **анодные процессы локализованной коррозии** и **растягивающее напряжение** (остаточное и/или прикладываемое) в присутствии **влажного сероводорода ($H_2S$)**.
  • Система индикации толщины стенки трубы. Чем больше число режима (schedule number), тем больше толщина стенки для конкретного размера трубы.
  • Серьезная разновидность износа, для которой характерно образование значительных канавок и царапин в направлении скольжения.
  • Привод на четверть оборота, чаще устанавливаемого на базе **треугольного шатуна** (scotch yoke mechanism), чем на редукторе. Выходной крутящий момент треугольного шатуна в начале и конце его рабочего хода примерно **в два раза превышает** выходной крутящий момент в середине его рабочего хода.
  • Механическое удаление или вытеснение (или и то, и другое) материала с поверхности из-за воздействия абразивных частиц или выступов, скользящих вдоль поверхности.
  • Концевые соединители с внутренней резьбой, поставляемые на некоторых клапанах (небольшого размера). Обычно используется **коническая трубная резьба (NPT)**.
  • Средство, применяемое для предотвращения прохождения текучей среды. Включает уплотнительные кольца, манжетное уплотнение (lip seal), прокладки и другое.
  • Уплотняющий элемент, используемый между частями, совершающими **движение относительно друг друга**. Пример: уплотнение штока и седла.
  • Уплотняющий элемент между **двумя неподвижными частями**, например, уплотнение крышки клапана (valve bonnet seal) и уплотнение фланца (flange gasket).
  • Часть клапана, которая обеспечивает **плотную герметизацию** (tight shut-off) при стыковке с закрывающим элементом. В шаровых клапанах и задвижках, является плавающей частью, которая содержит либо мягкий (пластик), либо металлический посадочный элемент.
  • Контактные поверхности уплотняющего устройства (**обтюратора**) и седло, обеспечивающие уплотнение клапана.
  • Процесс автоматического сбрасывания избыточного внутреннего давления корпуса либо в верхнюю, либо в нижнюю линию за счет **принудительного смещения седел с закрывающего элемента**.
  • Твёрдость по Шору, определяемая по шкале **A** или шкале **D** является предпочтительным методом измерения твердости **резины или эластомера**. Шкала A применяется для материалов от мягких резин до резин со средней твердостью (D меньше 20). Шкала D более точна в случае образцов, которые тверже, чем 90 шкалы A. Склероскоп Шора – это прибор для измерения соответствующей твердости. Номер испытания ASTM – **ASTM D2240**, аналогичный метод испытания по ISO – **ISO 868**.
  • Задвижка, в которой кольца седла входят в контакт с заслонкой только в закрытом состоянии. Такой клапан **не является полнопроходным** (not through-conduit), так как заслонка полностью отводится из зоны потока в открытом состоянии.
  • Клапан, у которого размеры **“торец к торцу”** (face-to-face dimension) меньше, чем указанные в стандарте **API 6D/ISO 14313**.
  • Уменьшение размеров после вулканизации в формованном резиновом изделии, которое возникает после того, как изделие извлекли из формы и дали остыть. Применительно к функции уплотнения, это уменьшение объема уплотнения из-за экстракции растворимых компонентов из резиновой смеси текучими средами.
  • Клапан, предназначенный для **двухпозиционной работы включение/отключение** (on/off service), но **не являющийся дроссельным клапаном** (not a throttling valve). Иногда называется **клиновой задвижкой** (block valve).
  • Устройство с **тремя каналами** (3-port device), то есть, с двумя входами и одним выходом. Выход переключается и меняет положение, когда превышается заранее заданное **давление открытия клапана** (cracking pressure).
  • Одна из конструкций шарового клапана, позволяющая **снять клапан с трубопровода** с целью демонтажа и техобслуживания на месте эксплуатации или на заводе изготовителя.
  • Определяется как относительный уровень **снижения риска**, обеспечиваемый функцией безопасности. Требования основаны на вероятностном анализе устройства (Failure Modes and Effects Analysis - FMEA). Определены **четыре уровня** (SIL1 - наименее надежный, SIL4 - самый надежный). Требования функциональной безопасности для обрабатывающей промышленности определяют стандарты **IEC 61508** и **IEC 61511**.
  • Эластомер на базе основной цепи **кремний-кислород** (Silicon-oxygen backbone) с исключительными показателями **высокой и низкой температуры**.
  • Заслонка клапана с тщательно обработанными **параллельными поверхностями** в противоположность клиновой задвижке. Такой закрывающий элемент скользит в седлах и **не зависит от усилия штока** (механическое уплотнение) при достижении надежной герметизации.
  • Устройство для предотвращения сильного удара при захлопывании **заслонки стопорного клапана** (clapper of a check valve) при его закрытии при изменении потока. Для этой цели используются гидравлические демпфирующие цилиндры, поворотные пластины, торсионные пружины.
  • Устройство, работающее со шламовой текучей средой. **Угольный шлам**, состоящий из примерно равных частей угля и воды, транспортируется трубопроводом из шахт к электростанциям, где вода удаляется, а уголь сжигается.
  • Процесс **ручной дуговой сварки**, в котором используется **плавящийся электрод, покрытый флюсом**. Флюс разлагается, создавая пары, выполняющие функцию **защитного газа** и создающие слой **окалины**. По причине разносторонности процесса и простоты оборудования, является одним из самых популярных в мире сварочных процессов.
  • Заменитель природного газа, производимый из побочных продуктов химических и нефтеперегонных заводов.
  • Концевое соединение, в котором труба вставляется в **раззенкованное отверстие** (counterbored hole), после чего труба **припаивается** или **приваривается угловыми швами** (fillet-welded).
  • Клапан, в котором для обеспечения герметичности используется **упругое (мягкое) седло** (см. также **RESILIENT SEAT**). Рисунок компоновки с мягким седлом также имеется.
  • Расположенные в шахматном порядке небольшие трещины, образованные **в перпендикулярном направлении относительно основного напряжения** (остаточного и/или прикладываемого). В результате образуется группа в виде **лестницы** со связыванием с ранее существовавшими трещинами **водородного происхождения (HIC)**.
  • Природный газ с **высоким содержанием сероводорода ($H_2S$)**. Наличие сероводорода может привести к появлению ряда механизмов образования трещин на металлических материалах (SSC, SCC, HIC, SWC, SOHIC, SZC и т.д.). Документ **NACE MR0175 / ISO 15156** содержит требования и рекомендации касательно выбора металлических материалов для работы в оборудовании, содержащем $H_2S$.
  • Воздействие условий нефтяного промысла, характеризующихся **содержанием $H_2S$**, и способных вызвать растрескивание материалов механизмом, описанным в документе **NACE MR0175 / ISO 15156**.
  • Отделение с поверхности **микроскопических частиц в виде хлопьев или тонких пластин**. Причиной могут быть удары.
  • Отношение веса данного объема текучей среды к весу такого же объема воды (если текучая среда – жидкость), или к весу такого же объема воздуха (если текучая среда – газ).
  • Отношение между удельной теплоёмкостью газа в процессе с **постоянным давлением ($C_p$)** и удельной теплоёмкостью в процессе с **постоянным объемом ($C_v$)**, то есть gamma = C_p / C_v$.
  • Плоская прокладка, используемая между двумя **фланцами с выступающим торцом (RF)** (без кольцевых пазов). Спирально-навитые прокладки включают в себя **спирально-навитой металлический наполнитель** для укрепления.
  • Смотрите **переходная катушка** (Adapter Spool).
  • Самый простой тип зубчатой передачи. В зубчатой передаче, входная и выходная передачи располагаются **параллельно друг другу на параллельных валах**. Может использоваться паразитная шестерня для сохранения одинакового направления вращения.
  • Сжатие поперечного сечения **уплотнительного кольца (O-ring)** между сопряжёнными поверхностями, выражаемое в виде числового значения и в процентах от начального поперечного сечения. **Радиальное** сжатие возникает на внешнем и внутреннем диаметре. **Осевое** сжатие возникает на верхней и нижней поверхностях.
  • Вид **растрескивания под воздействием водорода (HIC)**, которое включает **охрупчивание** металла под воздействием **атомарного водорода**, создаваемого кислотной коррозией в присутствии **воды и сероводорода**. Атомарный водород может проникнуть в металл, ухудшить пластичность и увеличить чувствительность к растрескиванию. Высокопрочные металлические материалы и жесткосваренные участки подвержены SSC. Документ **NACE MR0103** определяет требования к материалам касательно их стойкости к SSC в условиях перерабатывающих предприятий серосодержащего газа.
  • Клапан, применяемый главным образом **под водой в коллекторе** с целью **изоляции трубопровода или процесса в аварийной ситуации**.
  • Автоматическая **устьевая задвижка**, закрывающаяся **при потере электроснабжения** от источника питания.
  • Стержень или вал для **передачи движения от привода к закрывающему элементу** клапана.
  • Узел, состоящий из расширения штока и кожуха расширения штока.
  • Стержень для индикации положения, поставляемый с задвижками. Устанавливается на верхнюю часть штока клапана и служит для указания относительного положения заслонки. Также называется **индикатором положения арматуры (VPI)**.
  • Одинарная или состоящая из двух частей гайка, устанавливаемая на резьбу штока клапана и **передающая крутящий момент от привода к штоку** клапана.
  • Кольцо на шаровом клапане, **ограничивающее шар на четверть оборота** при переходе с полностью открытого состояния в полностью закрытое состояние. Смотрите блокировку ключом (Key Stop).
  • Процедура, которая применяется при ремонте трубопровода с целью **изоляции секции линии в отсутствие отсечного клапана**. После приваривания хомута с фланцем к трубопроводу, на линии выполняется **горячая врезка** ('hot tapped'), и в трубу вставляется расширяющаяся упругая заглушка. По завершению ремонта, заглушка удаляется, а клапан, установленный на седло фланца, закрывается.
  • Устройство для измерения **деформации (растяжения)** объекта. Наиболее распространенный тип состоит из металлической фольги, прикрепленной к объекту, электрическое сопротивление которой **изменяется при деформации** фольги (объекта).
  • Определяется как **сила на единицу площади ($F/A$)** и является мерой интенсивности внутренних сил, воздействующих в пределах тела.
  • Измеряется в **процентном увеличении внутреннего диаметра (ID) уплотнительного кольца (O-ring)**. Растяжение приводит к уменьшению и сплющиванию поперечного сечения уплотнения. Есть два типа: **установочное** растяжение и **сборочное** растяжение.
  • Болт **с резьбой на обоих концах**, применяемый для болтового соединения двух деталей, на одной из которых часто имеются несквозные отверстия под болты.
  • Соединение на фланцевом конце или выходное соединение, в котором **закреплённые в резьбе шпильки**, ввинченные в отверстия с резьбой, **заменяют отверстия для болтов**.
  • Входящая в систему уплотнения **кольцеобразная камера** (annular chamber), расположенная вокруг штока клапана, в которую укладывается **деформируемая набивка**.
  • Металлическая конструкция, обеспечивающая **стабильную опору** во время установки клапана на постоянное основание.
  • Среднее значение внешней шероховатости, часто выражаемое в микродюймах, то есть **среднеквадратичное значение (RMS)** или **среднеарифметическая шероховатость (Ra)**.
  • Внезапный скачок величины до избыточного или ненормального значения, или **внезапный скачок повышения давления в трубопроводе**. Скачки чаще всего вызываются **внезапным закрытием клиновой задвижки** или **аварийным остановом насоса**. Повышение давления, превышающее номинальные значения, может привести к разрывам в системе трубопровода.
  • Клапан, предназначенный для **сглаживания скачков давления** в трубопроводах для жидкостей, таким образом, предотвращающий разрыв на линии из-за превышения проектных ограничений трубы давлениями переходных процессов.
  • Температура среды, при которой от клапана требуется только **сохранить свою конструкцию в течение промежутка времени**. Клапан **не предназначен для работы** при этой температуре, а только должен выдержать её в открытом или закрытом состоянии.
  • Инструмент для сгибания или формовки холодного металла в требуемую форму.
  • Растрескивание, которое **соединяет вызванные водородом трещины** на смежных плоскостях на стальном изделии.
  • Природный газ, **не содержащий сероводорода ($H_2S$)** или значительного количества двуокиси углерода ($CO_2$).
  • **Объемное увеличение** эластомерного материала при контакте с текучей средой.
  • Обратный клапан, в котором закрывающий элемент представляет собой **шарнирную заслонку** (hinged clapper), которая поворачивается или вращается вокруг опорного вала. Смотрите обратный клапан (Check Valve).
  • Вид сульфидного растрескивания под напряжением (**SSC**), которое может возникнуть, если в стали есть местная **“мягкая зона”** низкопрочного материала.

T

  • Трубный фитинг с боковым выходом, расположенным **под прямым углом**. Похож на букву “T”.
  • Максимальное значение **растягивающего напряжения (предельное напряжение)**, которое способен выдержать материал перед разрушением или разрывом. Является максимальным напряжением, создаваемым в материале в испытании на разрыв.
  • Испытание специально обработанного образца, взятого с материала в состоянии поставки с целью определения физических свойств, например, **предела текучести, предельной прочности и процентного удлинения**.
  • То же, что и **испытания на разрыв** (Tensile Test).
  • Документы, предоставляемые изготовителем, и удостоверяющие выполнение требуемых испытаний.
  • Для **сброса давления в сосудах/трубах**, возникающего вследствие **изменений температуры**.
  • Намеренное **ограничение потока** путем частичного закрытия или открытия клапана. Широкий спектр дросселирования автоматически выполняется в регуляторах и регулирующих клапанах.
  • Термин, описывающий клапаны в открытом состоянии, при котором отверстие представляет собой **плавную непрерывную поверхность** между кольцами седла и на протяжении всего канала клапана, что обеспечивает **минимальное падение давления**. В проходе нет полостей или больших зазоров, где мог бы накопиться мусор, мешающий оборудованию очистки трубопровода (**'pigging'**) или препятствующий движению клапана.
  • Клапан, корпус которого состоит из двух компонентов, разработанный для **возможности установки внутренних частей в корпус, в то время как клапан остается смонтированным на трубопроводе**. Сняв крышку, можно снять все части клапана и снова установить их с помощью специального инструмента. Клапан специально спроектирован для **обслуживания на линии** (in-line maintenance).
  • Вращающее усилие, требуемое для приведения клапана в действие. Обычно выражается в **фунтофутах** или **ньютон-метрах** ($N dot m$) и применяется в отношении штурвала штока или вала шестерни приводного устройства.
  • Электрическое устройство на приводе с двигателем, **отключающее питание к приводу при превышении разрешенного крутящего момента**, таким образом, предотвращающее повреждение клапана и/или привода.
  • Спиральная пружина, которая создает усилие за счет **скручивания вокруг оси**, а не за счет сжатия или удлинения.
  • Участок трубопровода, который приваривается к клапанному распределителю или перегородке. Обычно обеспечивается клиентом и служит для перехода от трубопроводов клиента к клапану с целью **компенсации различий материала и размера**.
  • Главный трубопровод, транспортирующий нефть или газ от скважин или хранилищ в нефтеперегонные заводы, погрузочные доки или газораспределительные компании.
  • Перемещение закрывающего элемента из закрытого положения. Для поворотного регулирующего клапана это **угол между закрытым и фактическим состоянием**. Полностью открытое состояние определяется как номинальный рабочий ход (rated travel).
  • Части (и их материалы) узла клапана, **кроме корпуса и крышки**, которые **открыты и контактируют со средой линии**. Обычно включает, но не ограничивается, кольцами седла, обтюратором шарового клапана и штоком.
  • Специальная конструкция двухстворчатого клапана, в которой шток находится за диском, ниже центральной линии диска, а его **ось конуса смещена с центральной линии диска** (triple offset design). Эта специальная конструкция способна обеспечить **очень плотную отсечку** при температурах, заметно превосходящих 1000F (530 C).
  • Часть шарового клапана, **удерживающая шар на постоянной вертикальной оси**, вокруг которой шар поворачивается. Требование к крутящему моменту шарового клапана с цапфой **значительно ниже**, чем требования к крутящему моменту конструкции с плавающим шаром.
  • Произвольное течение среды, в котором **скорость в определенной точке среды меняется беспорядочно**.
  • Термин, описывающий **отношение между условиями минимального и максимального потока**, наблюдаемыми в конкретной системе. Данный термин иногда неверно применяется к клапанам. Смотрите **диапазон регулирования (Rangeability)**.
  • Число **полных оборотов штурвала или направляющего вала** ручного привода управления, чтобы перевести клапан из полностью открытого в полностью закрытое состояние или наоборот.

U

  • Процедура **неразрушающего контроля (NDE)**, использующая **звуковые волны высокой частоты** для обнаружения **пустот и дефектов** по всей толще металлических частей. Методы и процедуры рассмотрены в **ASME V, Art. 4, Art. 5, и ASTM A388, A435 и A577**.
  • Клапан, предназначенный для **запирания потока только в одном направлении**.
  • Небольшой **трехэлементный фитинг**, применяемый для сочленения двух участков трубопровода. Участки с охватывающей соединительной частью ставятся на каждый конец, и соединение **механически уплотняется внешней гайкой**.

V

  • Устройство, которое **управляет или изолирует поток** жидкости или газа в канале или трубопроводе.
  • Определение размеров управляющего клапана согласно фактическим условиям процесса должно выполняться в соответствии со **стандартами МЭК (IEC)**, где указывается метод предсказания достижимой **пропускной способности** клапана для любого размера и стиля регулирующего клапана.
  • Давление пара в **естественном термодинамическом равновесии с конденсированной фазой** в закрытой системе. Давление пара **меняется при изменении температуры**.
  • Небольшой клапан с изменяющимся профилем, установленный в линии потока и используемый со **вспомогательным устройством (пилотом)** с целью ограничения потока во вспомогательное устройство, и **повышения/понижения чувствительности** вспомогательного устройства к изменяющимся условиям.
  • Лист технических характеристик, определяющий минимальный уровень **конструктивных требований клапана**, включая материалы, испытания, контроль и сертификацию.
  • Смотрите **шевронную набивку (Chevron Packing)**.
  • Часть потока, в которой **скорость текучей среды максимальна**, а **статическое давление и площадь поперечного сечения минимальны**. В регулирующем клапане, местное сужение потока обычно возникает **за фактическим физическим ограничивающим фактором**.
  • Специальная пробка для трубы с небольшим **вытяжным клапаном**, управляемым гаечным ключом. Расположена в нижней части шаровых клапанов. Позволяет **сбросить давление из полости корпуса** (чтобы проверить плотность уплотнений седла или выполнить ремонт). Снятие заглушки позволяет продуть мусор или промыть полость корпуса. Смотрите **запорно-предохранительный режим (Block and Bleed)** и **пробка сливного отверстия (Drain Plug)**.
  • Неполнопроходной клапан (**reduced bore valve**), диаметр проходного отверстия которого **меньше диаметра впуска или выпуска**. Поток сквозь клапан Вентури уменьшается из-за меньшего проходного отверстия.
  • Стандартный метод измерения **твердости металлов** (особенно с чрезвычайно твердыми поверхностями). Поверхность подвергается воздействию стандартного давления, создаваемого **алмазом в форме пирамиды**. Значение твердости определяется по **диагонали полученной вмятины**.
  • Мера **внутреннего трения текучей среды** или **сопротивления текучей среды течению**. Две текучие среды с идентичным удельным весом могут иметь различные вязкости.
  • Исследование частей и оборудования на наличие **видимых дефектов** материалов и качества изготовления.
  • Смотрите **испытание на удар по Шарпи (Charpy Impact Test)**.
  • Исследование **внутренних дефектов** материала такими методами, как **рентгенографический** и/или **ультразвуковой** контроль.
  • Смотрите **индикатор штока (Stem Indicator)**.

W

  • Толщина стены **сосуда под давлением или трубопровода**.
  • Физический эффект, который часто сопровождается громким шумом (**'banging'**), создаваемого **волнами давления**, возникающими в трубопроводе из-за **внезапного изменения скорости** в жидкостной системе.
  • Концевое соединение клапана, которое монтируется **привариванием к линии**. Для подготовки **скошенного конца (End Bevel)** необходимо знать толщину стены и удельный минимальный предел текучести соединяемой трубы.
  • Повреждение твердой поверхности, которое в общем случае включает в себя **прогрессирующую потерю материала** из-за **относительного движения** между этой поверхностью и соприкасающимся веществом или веществами.
  • Проверка **стойкости компонента** при конкретных условиях износа.
  • Применяется в отношении устройства, которое **защищено от воздействия воды, песка, пыли или других атмосферных загрязнителей**.
  • Клапан с посадочными поверхностями (**клином**), **наклоненными в направлении закрывающего давления** для того, чтобы механическая сила на штоке создавала плотное соприкосновение с наклоненными кольцами седла. Изготавливается согласно **API 600**.
  • Смотрите **WE** и **скошенный конец (End Bevel)**.
  • Трубный элемент с вваренным фланцем, применяемый для **обеспечения соединительного фланца** для монтажа фланцевых клапанов. Также используется для **преобразования приварных клапанов во фланцевые** или наоборот.
  • Переходной фитинг для компонентов трубопроводов с приварным концом, служащий для **сочленения трубопровода большего размера с трубопроводом меньшего диаметра** и наоборот.
  • Приведение клапана в действие с помощью **ручки или рычага**. Применяется на клапанах **небольшого размера** или **небольшого давления**.
  • Термин применяется в отношении **номинала давления**. Выражение **100 WOG** означает, что номинальное давление равно **100 фунтов на квадратный дюйм** при эксплуатации с водой, нефтью или газом при нормальных температурах окружающей среды.
  • Механизмы для передачи движения или мощности между **расположенными под прямым углом валами** в случаях, когда необходима **большая кратность редукции**. Червяк (небольшой механизм) приводит в движение более крупное кольцевое зубчатое колесо. Смотрите **механизм с конической передачей (BGO)**.
  • Давление, для работы с которым **конструируется клапан**. То же, что и номинальное рабочее давление.
  • Изделия, формируемые **ковкой** или процессом **горячего изостатического прессования**.

X

  • Смотрите **рентгенографический контроль (RT - Radiographic Test)**.

Y

  • Предельное значение **напряжения**, ниже которого материал выдерживает только **упругую деформацию** (т.е. способен вернуться к начальным размерам после снятия напряжения). После превышения этого значения (предел текучести), деформация становится **необратимой** (пластической).
  • Часть задвижки (**gate valve**), которая выполняет функцию **распорки** между крышкой (**bonnet**) и приводным устройством (**operator/actuator**).
  • В механике твёрдого тела является **мерой жёсткости** (stiffness) материала. Также известен как **модуль упругости** или **модуль эластичности**. Для небольших деформаций определяется как **отношение скорости изменения напряжения к деформации** (). Это можно экспериментально определить по **наклону кривой 'напряжение-деформация'** (stress-strain curve) при испытании на разрыв.
Есть вопросы?
Оставьте свои данные для обратной связи с Вашим вопросом и мы обязательно Вам ответим.
* - обязательные поля